We use cookies to enhance your online experience. We need your consent to set cookies. By clicking ACCEPT, you agree to their use and can continue exploring our site. Learn more about cookies in our Cookie Policy.
Ephil - 38cc Side exhaust Gasoline Engine - X-38cc-S
Unleash serious performance with the X-38cc-S — a 38 cc gasoline engine equipped with electronic ignition and premium spark plug, designed to deliver consistent power and reliability. Built for fixed-wing RC pilots who demand smooth throttle response, easy starts, and durable build quality. Whether you fly sport, scale or larger aerobatic models, this engine gives you the capability to elevate every flight.
Usage Notes
-
Ideal for fixed-wing aircraft in the ~2.0 m+ wingspan or heavier-weight class where a quality 38 cc engine is appropriate.
-
Electronic ignition means clean starts and fewer prop-flips, making setup quicker and safer.
-
Choose propellers in the recommended size range (e.g., 19×8, 19×10, 20×8, 20×10) for optimum performance
-
Use a proper two-stroke oil/gas mix and ensure adequate cooling and vibration isolation for long-term reliability.
-
Give the engine a proper break-in period before flying at full throttle — this helps preserve engine life and maintain smooth operation.
-
Double-check ignition voltage requirements (6–14 V) and ensure your model’s electrical system supports it.
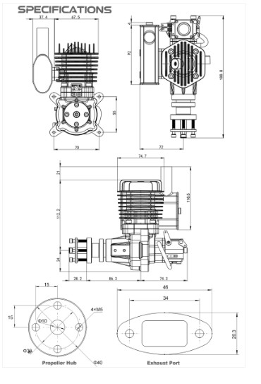
Technical Specifications
Model: X-38cc-S
Displacement: 38 cc (2.33 cu in)
Performance: 4.2 HP
Speed Range: 1800 – 7300 RPM (Tested with 20×8 propeller)
Bore: 39 mm (1.54 in)
Stroke: 32.5 mm (1.28 in)
Compression Ratio: 9 : 1
Static Thrust:
9.9 kg @ 100 m altitude (21.8 lb @ 328 ft)
8.2 kg @ 1800 m altitude (18.1 lb @ 5900 ft)
Lubrication Ratio: 30 : 1 (Fuel : 2-stroke motor oil)
Ignition Voltage: 6 – 14 V
Spark Plug Type: CM6 Iridium spark plug
Recommended Propellers: 19×8 | 19×10 | 20×8 | 20×10
Component Weights:
Main Engine: 1010 g
Muffler Set: 73 g
Aluminum Standoff Set: 100 g
Spark Plug: 13.5 g
CDI (Ignition): 104 g
Total Weight: 1300.5 g (2.87 lb)

